| code | Prod. code | Description | Compat. | Modif. | Qty | Notes | Components | Colour | Reman. |
|---|---|---|---|---|---|---|---|---|---|
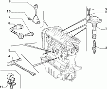
| 1 | 46403328 | BOBINE |
|
05 | |||||
| 2 | 46463801 | BOUGIE D'ALLUMAGE | M1,M2,M5 |
|
05 | ||||
| 2 | 71736276 | BOUGIE D'ALLUMAGE CHAMPION | M1,M2,M5 |
|
05 | ||||
| 2 | 46471078 | BOUGIE D'ALLUMAGE | M6 |
|
05 | ||||
| 3 | 14432224 | VIS M6X22 |
|
10 | |||||
| 3 | 55204902 | VIS AVEC RONDELLE M6X28 |
|
04 | |||||
| 4 | 7790917 | CONTACTEUR |
|
01 | |||||
| 5 | 11577524 | VIS AVEC RONDELLE |
|
01 | |||||
| 6 | 60592752 | CONTACTEUR | M1,M2,M5 |
|
02 | ||||
| 6 | 7669123 | CONTACTEUR | M6 |
|
01 | ||||
| 7 | 7711808 | VIS |
|
02 | |||||
| 8 | 10519421 | RONDELLE |
|
10 | |||||
| 9 | 7777344 | CONTACTEUR |
|
01 | |||||
| 10 | 46416714 | VIS AVEC RONDELLE |
|
02 | |||||
| 11 | 46434386 | AGRAFE | M6 |
|
01 |