| code | Prod. code | Description | Compat. | Modif. | Qty | Notes | Components | Colour | Reman. |
|---|---|---|---|---|---|---|---|---|---|
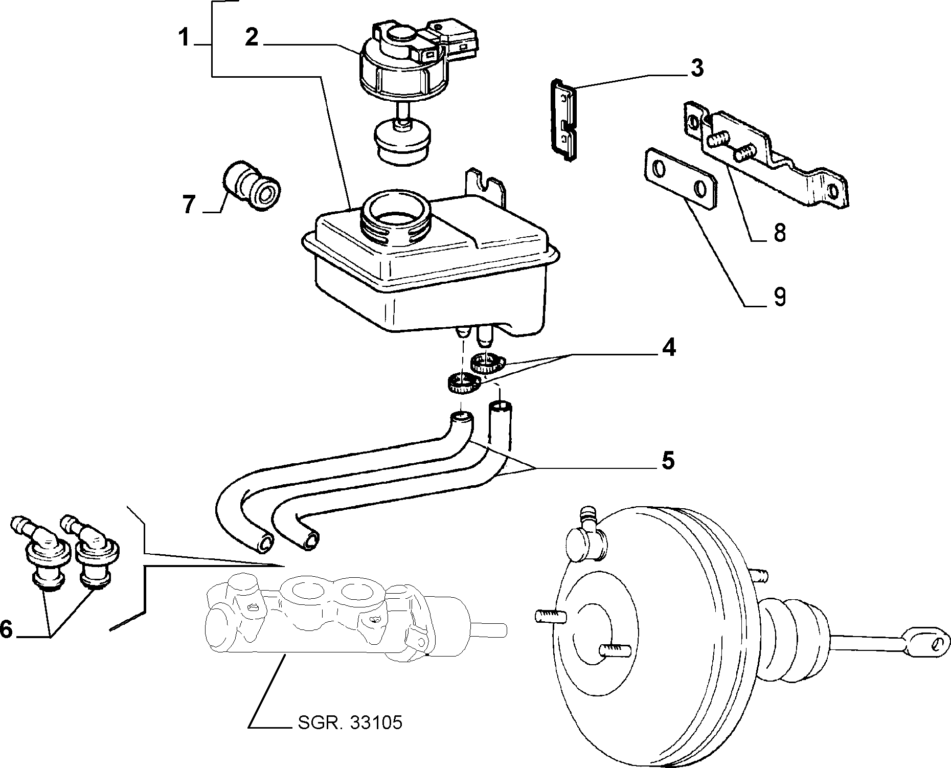
| 1 | 7716047 | タンク | GS |
|
01 | ||||
| 1 | 7689613 | タンク | GD |
|
01 | ||||
| 2 | 7657744 | キャップ | GS |
|
01 | ||||
| 2 | 7694596 | キャップ | GD |
|
01 | ||||
| 3 | 7677152 | プレート |
|
01 | |||||
| 4 | 13000190 | カラー |
|
04 | |||||
| 5 | 19058189 | ホース | GS |
|
M | ||||
| 6 | 7658045 | コネクション |
|
02 | |||||
| 7 | 7572027 | プラグ | GD+E007 |
|
01 | ||||
| 8 | 7657257 | ブラケット | GD+(M1,M3,M4,M7,M8) |
|
01 | ||||
| 8 | 7721236 | ブラケット | GD+M2 |
|
01 | ||||
| 9 | 7693023 | ブラケット | GD+(M1,M3,M4,M7,M8) |
|
01 | ||||
| 9 | 7722276 | クリップ | GD+M2 |
|
01 |