FIAT ePER
Models
FIAT
126
126 BIS (1987-1999)
500
500 MY2012 (2012-....)
NUOVA 500 (2007-2012)
500 USA - CINA (2010-....)
CINQUECENTO (1992-1998)
500L
500L (2012-....)
BARCHETTA
BARCHETTA (1995-2004)
BRAVA
BRAVA G.98 BZ/DS (1998-2001)
BRAVA BZ/DS (1995-1998)
BRAVO
NUOVA BRAVO MY 2010 (2010-2014)
NUOVA BRAVO (2007-2009)
BRAVO G.98 BZ/DS (1998-2001)
BRAVO BZ/DS (1995-1998)
COUPÈ
COUPE' GAMMA'96 (1996-2000)
COUPE' (1994-1996)
CROMA
CROMA (2005-2010)
CROMA TURBO DS FL.90 (1990-1996)
CROMA IE-IE TB. FL.90 (1990-1996)
CROMA CHT FL.90 (1990-1992)
CROMA IE. 2500 V6 (1993-1996)
DUNA - PENNY/CITYVAN
DUNA BENZINA/DIESEL (1986-1990)
ELBA
ELBA CSL (1991-1996)
FREEMONT
FREEMONT (2011-....)
IDEA
IDEA (2008-2012)
IDEA (2003-2008)
LINEA
LINEA (2007-....)
LINEA INDIA FL2014 (2014-....)
MAREA-MARENGO
MAREA BZ GAMMA'99 (1999-2002)
MAREA DS GAMMA'99 (1999-2002)
MAREA BENZINA (1996-1999)
MAREA DIESEL (1996-1999)
MILLE
MILLE CLIP (1995-1997)
MILLE (1994-1995)
MULTIPLA
MULTIPLA (1998-2010)
PALIO
PALIO 2V EXTRA EUROPA REST. 2002 (2002-2011)
PALIO 2V REST.2 (2005-2011)
PALIO WEEKEND REST.2 (2005-2009)
PALIO WE EXTRA EUROPA REST. 2002 (2002-2008)
PALIO WE EUROPA REST. (2002-2004)
PALIO/WEEKEND EUROPA (1997-2002)
PALIO 2V EXTRA EUROPA (1997-2002)
PALIO WE EXTRA EUROPA (1997-2002)
PANDA
NUOVA PANDA (2012-....)
PANDA CLASSIC (2012-2012)
PANDA MY 2011 (2010-2011)
PANDA MY 2009 (2009-2010)
NUOVA PANDA (2003-2009)
PANDA 4X2 MAQ 91 (1991-2003)
PANDA 4X4 MAQ 91 (1991-2003)
PANDA 4X2 RL/86(1985-1991)
PANDA 4X4 R/86 (1985-1991)
PANDA DS (1986-1993)
PUNTO
PUNTO MY 2013 (2013-....)
NUOVA PUNTO MY2012 (2012-2013)
PUNTO EVO (2009-2011)
GRANDE PUNTO ACTUAL (2009-2013)
GRANDE PUNTO INTERN. INDIA FL2014 (2014-....)
GRANDE PUNTO INTERN. INDIA (2008-2014)
GRANDE PUNTO (2008-2009)
GRANDE PUNTO (2005-2008)
PUNTO FL.'03 (2003-2010)
PUNTO BZ (1999-2003)
PUNTO DS (1999-2003)
PUNTO BZ. GAMMA '97 (1997-1999)
PUNTO TB.DS. GAMMA'97 (1997-1999)
PUNTO CABRIO GAMMA'97 (1997-2000)
PUNTO 55-60-75-90 (1993-1997)
PUNTO GT (1993-1997)
PUNTO D-TD (1993-1997)
PUNTO CABRIO (1994-1997)
SEDICI
SEDICI MY 2012 (2012-2014)
SEDICI (2006-2011)
SEICENTO
SEICENTO (1998-2010)
SEICENTO ELETTRA (1998-2003)
SIENA
SIENA REST.2 (2005-2011)
SIENA EXTRA EUROPA REST.(2002-2012)
SIENA EXTRA EUROPA (1997-2002)
PERLA CINA (2006-2007)
SMALL
SMALL 500 L-LS-SE (1990-1992)
SMALL 990 (1990-1992)
STILO
STILO F.L.L. 2003 (2003-2007)
STILO BZ/DS (2001-2003)
TEMPRA-MARENGO
TEMPRA MAQ.93 1370-1580 ('93-'96)
TEMPRA MAQ.93 1750-2000 ('93-'96)
TEMPRA MQ.93 D-TD (1993-1996)
TEMPRA 1370-1580 (1989-1993)
TEMPRA 1750-2000 (1989-1993)
TEMPRA DIESEL-TURBO D.(1989-1993)
TIPO
TIPO MQ.93 1370-1580 (1993-1995)
TIPO MAQ.93 D-TD (1993-1995)
TIPO MQ.93 1750-2000 (1993-1995)
TIPO 1100-1370-1580 (1987-1993)
TIPO DIESEL-T.DS. (1987-1993)
TIPO SPORT 16V IE. (1988-1993)
TIPO 1750-2000 (1990-1993)
ULYSSE
NUOVO ULYSSE (2001-2010)
ULYSSE (1994-2002)
UNO
UNO MONDO (1995-2010)
UNO R/89 900-1.0-1.1 (1989-1995)
UNO R/89 1.1-1370-1.5 (1989-1995)
UNO TURBO R/89 (1989-1993)
UNO DIESEL R/89 (1989-1995)
UNO CS (1988-1990)
VIAGGIO
VIAGGIO (2012-....)
OTTIMO (2014-....)
FIAT COMMERCIAL
DOBLÒ
NUOVO DOBLO 2009 (2009-....)
DOBLO REST. 2005 (2005-....)
DOBLO MY. 2004 (2004-2005)
DOBLO (2000-2004)
DUCATO '94
DUCATO '94 BENZINA (1994-2002)
DUCATO'94 DIESEL (1994-2002)
DUCATO R/90
NUOVO DUCATO BZ R.90 (1990-1994)
DUCATO 4X4 R.90 (1990-1994)
NUOVO DUCATO DS.R.90 (1990-1994)
FIORINO - QUBO
NUOVO FIORINO-QUBO (2007-....)
FIORINO EXPORT (2004-2008)
FIORINO RL (1993-2000)
FIORINO (1991-1993)
NUOVO DUCATO
NUOVO DUCATO MY 2014 (2014-....)
NUOVO DUCATO MY 2011 (2011-2014)
DUCATO RUSSIA 2008 (2008-2011)
NUOVO DUCATO 2006 (2006-2014)
DUCATO RESTYL. BZ/DS (2001-2006)
SCUDO
NUOVO SCUDO (2007-....)
SCUDO FL.2004 (2004-2006)
SCUDO (1995-2004)
STRADA
STRADA 2011 (2011-2014)
STRADA REST. 2 (2005-2011)
STRADA (1999-2005)
TALENTO
TALENTO R.90 (1990-1994)
LANCIA
DEDRA
DEDRA FL.94 1580-1750 8/16V 2000 (1994-1999)
DEDRA FL.94 1750-2.0 (1994-1999)
DEDRA FL.94 T.DS (1994-1999)
DEDRA BENZINA (1989-1994)
DEDRA TURBO DIESEL (1989-1994)
DEDRA IE.TB.INTEGRALE (1990-1994)
DELTA
LANCIA DELTA MY 2011 (2011-2014)
NUOVA DELTA 844 (2008-2011)
N.DELTA 1400-1600-1800(1993-1999)
N.DELTA 2.0 -1750 132CV ('93-'99)
N.DELTA TB/DS (1994-1999)
DELTA EVOLUZIONE (1991-1994)
DELTA R.86 BZ/DS (1986-1992)
DELTA 4WD (1986-1991)
FLAVIA
LANCIA FLAVIA (2012-....)
KAPPA
KAPPA BZ 2000-2400 (1994-2001)
KAPPA DIESEL (1994-2001)
KAPPA 3.0 V6 (1994-2001)
KAPPA COUPE' (1997-2001)
LYBRA
LYBRA BZ (1999-2005)
LYBRA DS (1999-2005)
MUSA
MUSA FLL (2011-2012)
MUSA (2007-2011)
MUSA (2004-2007)
PHEDRA
PHEDRA (2001-2010)
THEMA
LANCIA THEMA (2011-....)
THEMA I.E. 8V FL.92 (1992-1994)
THEMA IE. 16V FL.92 (1992-1994)
THEMA 3.0 V6 FL.92 (1992-1994)
THEMA TURBO DS FL.92 (1992-1994)
THEMA BZ/DS R.88 (1988-1992)
THESIS
THESIS (2001-2007)
VOYAGER
LANCIA VOYAGER (2011-....)
Y10
Y10 R.92 (1992-1995)
Y10 FL.89 (1988-1992)
YPSILON
NEW YPSILON (2011-....)
YPSILON (2009-2011)
YPSILON (2003-2009)
Y FL.2000 (2000-2003)
Y (1995-2000)
ZETA
"Z" (1994-2002)
ALFA ROMEO
145
145 M.Y. '99 (1999-2000)
145 GAMMA 97 (1997-1999)
145 BZ/DS (1994-1996)
146
146 M.Y. '99 (1999-2000)
146 GAMMA 97 (1997-1999)
146 BZ/DS (1995-1996)
147
147 BZ/DS (2000-2010)
155
155 GAMMA 96 BZ (1996-1997)
155 GAMMA 96 DS (1996-1997)
155 ASPIRATO (1992-1996)
155 TURBO BZ-DS (1992-1996)
156
156 M.Y.2002 BZ/DS (2001-2005)
156 BENZINA (1997-2002)
156 TD.ID. (1997-2002)
159
159 MY11 (2010-2011)
ALFA 159 (2008-2010)
ALFA 159 (2005-2008)
164
164 USA MY.94-95 (1993-1995)
164 FL/92 (1992-1997)
164 SUPER (1992-1997)
164 U.S.A. MY.91/93 (1990-1992)
164 (1987-1992)
164 TURBO BZ.(1987-1992)
166
166 BZ-DS (1998-2007)
33
33 CARB./DS (1990-1994)
33 I.E. 8/16 VALV. (1990-1994)
33 ED.88(1988-1990)
4C
4C (2013-....)
75
75 BZ 4 CILINDRI (1988-1992)
75 BZ 6 CILINDRI E TD (1988-1992)
BRERA COUPÈ
BRERA COUPE' M.Y. (2008-2010)
BRERA COUPE' (2005-2008)
COUPÈ S.Z.
"S.Z." (1989-1991)
GIULIETTA
GIULIETTA M.Y. 2013 (2013 - ...)
GIULIETTA (2010-2013)
GT
GT (2003-2010)
GTV
GTV '98 (1998-2005)
G T V (1995-1998)
MITO
MITO MY2013 (2013-....)
MITO MY2011 (2011-2013)
ALFA MITO (2008-2011)
NUOVO SPIDER
NUOVO SPIDER M.Y. (2008-2010)
NUOVO SPIDER (2006-2008)
SPEEDSTER R.Z.
"R.Z." (1992-1993)
SPIDER
SPIDER '98 (1998-2006)
NUOVO SPIDER (1995-1998)
SPIDER FL.USA MY.91-93(1990-1993)
SPIDER EUROPA FL.90 (1990-1993)
ABARTH
CINQUECENTO ABARTH
500 ABARTH MY2012 (2012-....)
NUOVA 500 ABARTH (2008-2012)
PUNTO ABARTH
NUOVA PUNTO ABARTH MY2012 (2012-2013)
PUNTO EVO ABARTH (2010-2012)
GRANDE PUNTO ABARTH (2007-2010)
Search
VIN
Model & Chassis
Find part by code
Find part by catalogue
FIAT
126 BIS (1987-1999)
500 MY2012 (2012-....)
NUOVA 500 (2007-2012)
500 USA - CINA (2010-....)
CINQUECENTO (1992-1998)
500L (2012-....)
BARCHETTA (1995-2004)
BRAVA G.98 BZ/DS (1998-2001)
BRAVA BZ/DS (1995-1998)
NUOVA BRAVO MY 2010 (2010-2014)
NUOVA BRAVO (2007-2009)
BRAVO G.98 BZ/DS (1998-2001)
BRAVO BZ/DS (1995-1998)
COUPE' GAMMA'96 (1996-2000)
COUPE' (1994-1996)
CROMA (2005-2010)
CROMA TURBO DS FL.90 (1990-1996)
CROMA IE-IE TB. FL.90 (1990-1996)
CROMA CHT FL.90 (1990-1992)
CROMA IE. 2500 V6 (1993-1996)
DUNA BENZINA/DIESEL (1986-1990)
ELBA CSL (1991-1996)
FREEMONT (2011-....)
IDEA (2008-2012)
IDEA (2003-2008)
LINEA (2007-....)
LINEA INDIA FL2014 (2014-....)
MAREA BZ GAMMA'99 (1999-2002)
MAREA DS GAMMA'99 (1999-2002)
MAREA BENZINA (1996-1999)
MAREA DIESEL (1996-1999)
MILLE CLIP (1995-1997)
MILLE (1994-1995)
MULTIPLA (1998-2010)
PALIO 2V EXTRA EUROPA REST. 2002 (2002-2011)
PALIO 2V REST.2 (2005-2011)
PALIO WEEKEND REST.2 (2005-2009)
PALIO WE EXTRA EUROPA REST. 2002 (2002-2008)
PALIO WE EUROPA REST. (2002-2004)
PALIO/WEEKEND EUROPA (1997-2002)
PALIO 2V EXTRA EUROPA (1997-2002)
PALIO WE EXTRA EUROPA (1997-2002)
NUOVA PANDA (2012-....)
PANDA CLASSIC (2012-2012)
PANDA MY 2011 (2010-2011)
PANDA MY 2009 (2009-2010)
NUOVA PANDA (2003-2009)
PANDA 4X2 MAQ 91 (1991-2003)
PANDA 4X4 MAQ 91 (1991-2003)
PANDA 4X2 RL/86(1985-1991)
PANDA 4X4 R/86 (1985-1991)
PANDA DS (1986-1993)
PUNTO MY 2013 (2013-....)
NUOVA PUNTO MY2012 (2012-2013)
PUNTO EVO (2009-2011)
GRANDE PUNTO ACTUAL (2009-2013)
GRANDE PUNTO INTERN. INDIA FL2014 (2014-....)
GRANDE PUNTO INTERN. INDIA (2008-2014)
GRANDE PUNTO (2008-2009)
GRANDE PUNTO (2005-2008)
PUNTO FL.'03 (2003-2010)
PUNTO BZ (1999-2003)
PUNTO DS (1999-2003)
PUNTO BZ. GAMMA '97 (1997-1999)
PUNTO TB.DS. GAMMA'97 (1997-1999)
PUNTO CABRIO GAMMA'97 (1997-2000)
PUNTO 55-60-75-90 (1993-1997)
PUNTO GT (1993-1997)
PUNTO D-TD (1993-1997)
PUNTO CABRIO (1994-1997)
SEDICI MY 2012 (2012-2014)
SEDICI (2006-2011)
SEICENTO (1998-2010)
SEICENTO ELETTRA (1998-2003)
SIENA REST.2 (2005-2011)
SIENA EXTRA EUROPA REST.(2002-2012)
SIENA EXTRA EUROPA (1997-2002)
PERLA CINA (2006-2007)
SMALL 500 L-LS-SE (1990-1992)
SMALL 990 (1990-1992)
STILO F.L.L. 2003 (2003-2007)
STILO BZ/DS (2001-2003)
TEMPRA MAQ.93 1370-1580 ('93-'96)
TEMPRA MAQ.93 1750-2000 ('93-'96)
TEMPRA MQ.93 D-TD (1993-1996)
TEMPRA 1370-1580 (1989-1993)
TEMPRA 1750-2000 (1989-1993)
TEMPRA DIESEL-TURBO D.(1989-1993)
TIPO MQ.93 1370-1580 (1993-1995)
TIPO MAQ.93 D-TD (1993-1995)
TIPO MQ.93 1750-2000 (1993-1995)
TIPO 1100-1370-1580 (1987-1993)
TIPO DIESEL-T.DS. (1987-1993)
TIPO SPORT 16V IE. (1988-1993)
TIPO 1750-2000 (1990-1993)
NUOVO ULYSSE (2001-2010)
ULYSSE (1994-2002)
UNO MONDO (1995-2010)
UNO R/89 900-1.0-1.1 (1989-1995)
UNO R/89 1.1-1370-1.5 (1989-1995)
UNO TURBO R/89 (1989-1993)
UNO DIESEL R/89 (1989-1995)
UNO CS (1988-1990)
VIAGGIO (2012-....)
OTTIMO (2014-....)
FIAT COMMERCIAL
NUOVO DOBLO 2009 (2009-....)
DOBLO REST. 2005 (2005-....)
DOBLO MY. 2004 (2004-2005)
DOBLO (2000-2004)
DUCATO '94 BENZINA (1994-2002)
DUCATO'94 DIESEL (1994-2002)
NUOVO DUCATO BZ R.90 (1990-1994)
DUCATO 4X4 R.90 (1990-1994)
NUOVO DUCATO DS.R.90 (1990-1994)
NUOVO FIORINO-QUBO (2007-....)
FIORINO EXPORT (2004-2008)
FIORINO RL (1993-2000)
FIORINO (1991-1993)
NUOVO DUCATO MY 2014 (2014-....)
NUOVO DUCATO MY 2011 (2011-2014)
DUCATO RUSSIA 2008 (2008-2011)
NUOVO DUCATO 2006 (2006-2014)
DUCATO RESTYL. BZ/DS (2001-2006)
NUOVO SCUDO (2007-....)
SCUDO FL.2004 (2004-2006)
SCUDO (1995-2004)
STRADA 2011 (2011-2014)
STRADA REST. 2 (2005-2011)
STRADA (1999-2005)
TALENTO R.90 (1990-1994)
LANCIA
DEDRA FL.94 1580-1750 8/16V 2000 (1994-1999)
DEDRA FL.94 1750-2.0 (1994-1999)
DEDRA FL.94 T.DS (1994-1999)
DEDRA BENZINA (1989-1994)
DEDRA TURBO DIESEL (1989-1994)
DEDRA IE.TB.INTEGRALE (1990-1994)
LANCIA DELTA MY 2011 (2011-2014)
NUOVA DELTA 844 (2008-2011)
N.DELTA 1400-1600-1800(1993-1999)
N.DELTA 2.0 -1750 132CV ('93-'99)
N.DELTA TB/DS (1994-1999)
DELTA EVOLUZIONE (1991-1994)
DELTA R.86 BZ/DS (1986-1992)
DELTA 4WD (1986-1991)
LANCIA FLAVIA (2012-....)
KAPPA BZ 2000-2400 (1994-2001)
KAPPA DIESEL (1994-2001)
KAPPA 3.0 V6 (1994-2001)
KAPPA COUPE' (1997-2001)
LYBRA BZ (1999-2005)
LYBRA DS (1999-2005)
MUSA FLL (2011-2012)
MUSA (2007-2011)
MUSA (2004-2007)
PHEDRA (2001-2010)
LANCIA THEMA (2011-....)
THEMA I.E. 8V FL.92 (1992-1994)
THEMA IE. 16V FL.92 (1992-1994)
THEMA 3.0 V6 FL.92 (1992-1994)
THEMA TURBO DS FL.92 (1992-1994)
THEMA BZ/DS R.88 (1988-1992)
THESIS (2001-2007)
LANCIA VOYAGER (2011-....)
Y10 R.92 (1992-1995)
Y10 FL.89 (1988-1992)
NEW YPSILON (2011-....)
YPSILON (2009-2011)
YPSILON (2003-2009)
Y FL.2000 (2000-2003)
Y (1995-2000)
"Z" (1994-2002)
ALFA ROMEO
145 M.Y. '99 (1999-2000)
145 GAMMA 97 (1997-1999)
145 BZ/DS (1994-1996)
146 M.Y. '99 (1999-2000)
146 GAMMA 97 (1997-1999)
146 BZ/DS (1995-1996)
147 BZ/DS (2000-2010)
155 GAMMA 96 BZ (1996-1997)
155 GAMMA 96 DS (1996-1997)
155 ASPIRATO (1992-1996)
155 TURBO BZ-DS (1992-1996)
156 M.Y.2002 BZ/DS (2001-2005)
156 BENZINA (1997-2002)
156 TD.ID. (1997-2002)
159 MY11 (2010-2011)
ALFA 159 (2008-2010)
ALFA 159 (2005-2008)
164 USA MY.94-95 (1993-1995)
164 FL/92 (1992-1997)
164 SUPER (1992-1997)
164 U.S.A. MY.91/93 (1990-1992)
164 (1987-1992)
164 TURBO BZ.(1987-1992)
166 BZ-DS (1998-2007)
33 CARB./DS (1990-1994)
33 I.E. 8/16 VALV. (1990-1994)
33 ED.88(1988-1990)
4C (2013-....)
75 BZ 4 CILINDRI (1988-1992)
75 BZ 6 CILINDRI E TD (1988-1992)
BRERA COUPE' M.Y. (2008-2010)
BRERA COUPE' (2005-2008)
"S.Z." (1989-1991)
GIULIETTA M.Y. 2013 (2013 - ...)
GIULIETTA (2010-2013)
GT (2003-2010)
GTV '98 (1998-2005)
G T V (1995-1998)
MITO MY2013 (2013-....)
MITO MY2011 (2011-2013)
ALFA MITO (2008-2011)
NUOVO SPIDER M.Y. (2008-2010)
NUOVO SPIDER (2006-2008)
"R.Z." (1992-1993)
SPIDER '98 (1998-2006)
NUOVO SPIDER (1995-1998)
SPIDER FL.USA MY.91-93(1990-1993)
SPIDER EUROPA FL.90 (1990-1993)
ABARTH
500 ABARTH MY2012 (2012-....)
NUOVA 500 ABARTH (2008-2012)
NUOVA PUNTO ABARTH MY2012 (2012-2013)
PUNTO EVO ABARTH (2010-2012)
GRANDE PUNTO ABARTH (2007-2010)
Login
Italiano (Italian)
Français (French)
Español (Spanish)
English
Deutsch (German)
Português
Polski (Polish)
Dutch (Nederlands)
Danish (Dansk)
Cesky (Czech)
Ellinika' (Greek)
Magyar (Hungarian)
Japanese
Chinese
Slovenský (Slovak)
Russky (Russian)
Română (Romanian)
Srpski (Serbian)
Türkçe (Turkish)
Svenska (Swedish)
HOME
FIAT
PUNTO
1N PUNTO BZ (1999-2003)
331 KOCNICE
33105 HYDRAULIC BRAKE CONTROL WITH ANTISKID
33105/00 HYDRAULIC BRAKE CONTROL WITH ANTISKID
2
46823567
1
Prod. code
Descr.
Comp.
Modif.
Qty
Notes
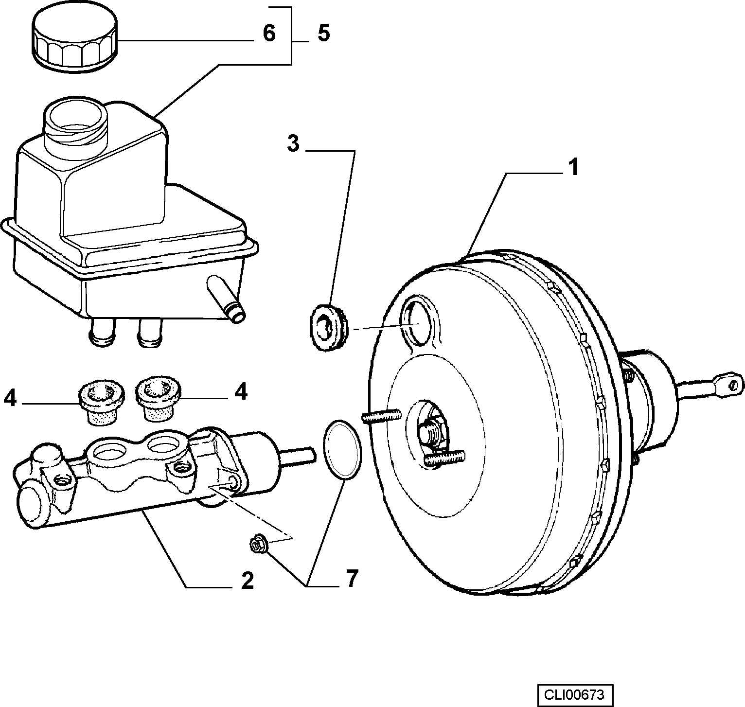
1
9948579
SERVO KOCNICE
01
2
9949548
GLAVNI CILINDAR
01
3
9948535
DRZAC AUSPUHA
01
4
9949299
GUMICE VENTILA
02
5
9948587
REZERVOAR
01
6
9948584
CEP
01
7
9949590
SERVO KOCNICE
01
Uh oh!
×
Something went wrong :(